AC Single Phase Motor
Electrician Trade Theory, Module-4
AC Single Phase Motor
⭕️ Show all Answers
Q1: What is the working principle of single phase induction motor?
- Lenz's law
- Joule's law
- Faraday's laws of electrolysis
- Faraday's laws of electromagnetic induction
Q2: What is the name of single phase motor?
- Permanent capacitor motor
- Induction start capacitor run motor
- Capacitor start capacitor run motor
- Capacitor start Induction run motor
Q3: What is the working principle of split phase motor?
- Lenz's law
- Joule's law
- Faraday's laws of electrolysis
- Faraday's laws of electromagnetic induction
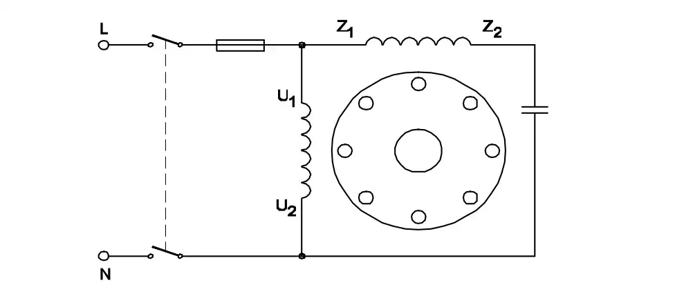
Q4: Which type of single phase motor is illustrated?
- Universal motor
- Permanent capacitor motor
- Capacitor start induction run motor
- Capacitor start capacitor run motor
Q5: Which type of A.C single phase motor is classified under commutator motor type?
- Stepper motor
- Repulsion motor
- Shaded pole motor
- Permanent capacitor motor
Q6: Which method is adopted to start the single phase induction motor?
- Split phase method
- Varying supply voltage method
- Reversal of input supply terminals
- Reversal of running coil connection
Q7: What is the type of A.C single phase motor?
- Permanent capacitor motor
- Capacitor start capacitor run motor
- Induction start induction run motor
- Capacitor start induction run motor
Q8: What is the purpose of the capacitor (C) in centrifugal switch speed control method of universal motor?
- Maintain constant speed
- Improve the power factor
- Protect from the over loading
- Reduce the sparks on the contacts
Q9: Which type of winding wire is used for rewinding submersible pumps?
- PVC covered copper wire
- Super enamelled copper wire
- Single cotton covered copper wire
- Double cotton covered copper wire
Q10: Which type of AC single phase motor having low starting torque?
- Induction start induction run motor
- Capacitor start induction run motor
- Capacitor start capacitor run motor
- Resistance start induction run motor
Q11: What is the function of centrifugal switch in single phase motors?
- Maintain constant speed
- Break the starting winding
- Break the running winding
- Protect the motor from over loading
Q12: Which is the application of universal motor?
- Jet pump
- Food mixer
- Teleprinter
- Compressor
Q13: Which single phase motor is fitted with wound rotor?
- Repulsion motor
- Shaded pole motor
- Permanent capacitor motor
- Capacitor start capacitor run motor
Q14: What is the relation between running winding and starting winding of a single phase induction motor with respect to resistance?
- Both resistances will be equal
- Running winding is less, starting winding more
- Running winding is more, starting winding less
- Running winding is less, starting winding infinity
Q15: What is the function of the part marked as x in shaded pole motor?
- Increase the efficiency
- Maintain constant speed
- Initiate the rotor movement
- Strengthen the magnetic field
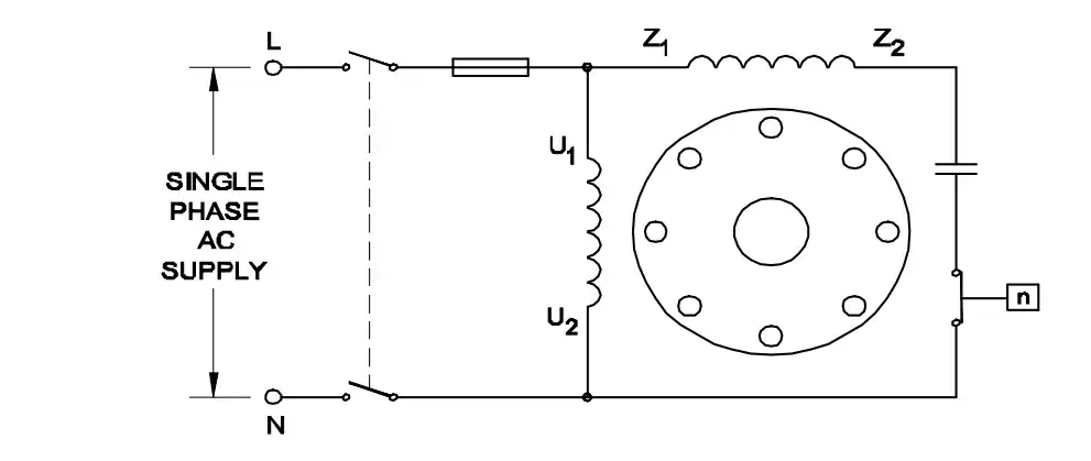
Q16: How the direction of rotation of a capacitor start induction run motor is reversed?
- By changing the supply terminals
- By changing the capacitor connections
- By interchanging main winding terminals
- By interchanging both main and auxiliary winding terminals
Q17: Which single phase motor tapped field speed control method is employed?
- Universal motor
- Shaded pole motor
- Capacitor start induction run motor
- Capacitor start capacitor run motor
Q18: Which type of single phase induction motor is used in food mixer?
- Universal motor
- Repulsion motor
- Shaded pole motor
- Permanent capacitor motor
Q19: What is the angular displacement between starting and running winding of a single phase induction motor?
- 45 electrical degree
- 60 electrical degree
- 90 electrical degree
- 120 electrical degree
Q20: Why the hysteresis motor is suitable for sound recording instruments?
- Small in size
- High efficiency
- Noiseless operation
- Less error operation
Q21: Which motor is preferred for domestic water pumps?
- Universal Motor
- Repulsion motor
- Shaded pole motor
- Capacitor start motor
Q22: Which type of motor has relatively small starting torque?
- Universal motor
- Capacitor start capacitor run motor
- Capacitor start induction run motor
- Resistance start induction run motor
Q23: What is the function of centrifugal switch in split phase motor?
- Protects from over current
- Maintains constant speed
- Protect the motor from over loading
- Make and break the starting winding from supply
Q24: How to produce starting torque in a shaded pole fan motor?
- Using rings on poles
- Using capacitor on winding circuits
- Interchanging cage rotor windings by switch
- Interchanging the field coil windings by switch
Q25: What is the reason to use a permanent capacitor in fan motor circuit?
- Speed regulation
- Lower power consumption
- Splitting of phase for torque
- Controlling electrical interference
Q26: Which motor is having half coil winding?
- Mixer
- Grinder
- Ceiling fan
- Washing machine
Q27: Why running winding is placed in the bottom of the core?
- To get low resistance
- To get low inductance
- To get high resistance
- To get high inductance
Q28: Calculate the slot distance for a ceiling fan having 28 slots, 14 poles, 14 coils in half coil connection?
- 90°
- 120°
- 180°
- 240°
Q29: What is the application of shaded pole motor?
- Hair dryer
- Ceiling fan
- Wet grinder
- Washing machine
Q30: Which type of single phase motor is used for hard disk drives?
- Stepper motor
- Repulsion motor
- Hysteresis motor
- Reluctance motor
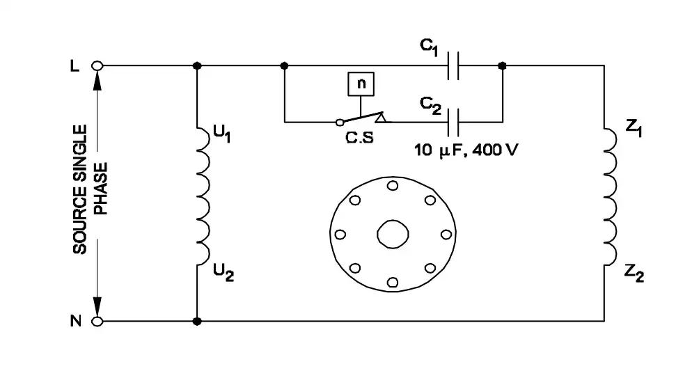
Q31: What is the function of centrifugal switch used in capacitor start, capacitor run induction motor?
- Disconnect the running winding after reached 75% to 80% speed
- Disconnect the starting winding after reached 75% to 80% speed
- Disconnect the starting capacitor after reached 75% to 80% speed
- Disconnect the starting and running winding after reached 75% to 80% speed
Q32: Which type of single phase motor is having very high starting torque than any other type of single phase motor?
- Universal motor
- Reluctance motor
- Repulsion start induction run motor
- Capacitor start induction run motor
Q33: Where the capacitor is connected in a single phase permanent capacitor motor?
- In series with starting winding
- In series with running winding
- in parallel with starting winding
- In parallel with running winding
Q34: Which motor is used in table fan?
- Universal motor
- Shaded pole motor
- Eddy current motor
- Permanent capacitor motor
Q35: What is the effect, if coil group connection is wrongly connected in a single phase motor rewinding?
- Motor runs slowly
- Motor will not run
- Motor runs in very high speed
- Motor runs and takes more current at no load
Q36: What is the effect in a repulsion motor, if the magnetic axis shifted to another side?
- Direction of rotation will change
- Direction of rotation remains same
- Motor speed increases from rated speed
- Motor speed will reduce from rated speed
Q37: What is the effect if the centrifugal switch is not disconnected after the motor starts?
- Motor will run normally
- Motor will stop immediately
- Starting winding will burn out
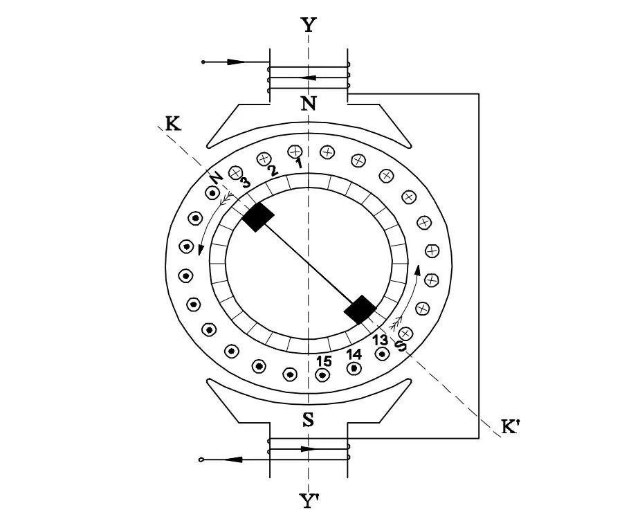
- Motor will run very slow speed
Q38: How the direction of rotation of repulsion motors is to be reversed?
- By shifting the brush-axis
- By interchanging the supply terminals
- By changing the main winding terminals.
- By changing the compensating winding terminals
Q39: Why a capacitor is connected across centrifugal switch in the centrifugal switch speed control method?
- To maintain constant speed
- To protect from over loading
- To improve the power factor
- To reduce the sparks in contacts
Q40: What is the effect, if some slots in a split phase motor left out without winding after completion of concentric winding?
- Works normally
- Reduction in speed
- Reduction in torque
- Runs with very high speed
Q41: How the radio interference can be suppressed in centrifugal switch method of speed control of universal motor?
- By connecting capacitor across centrifugal switch
- By connecting capacitor in series with centrifugal switch
- By adding compensating winding with armature
- By connecting an inductor in series with centrifugal switch
Found a mistake or mismatch in the question or answer? Let us know via email.
This post is licensed under CC BY 4.0 by the author.






