Control Panel Wiring
Electrician Trade Theory, Module-8
Control Panel Wiring
⭕️ Show all Answers
Q1: Which supply indicates by the colour of conductor exhibited on Red, Blue and Black?
- Supply DC 3 wire system
- Single phase AC system
- Supply AC system 3 phase
- Apparatus AC system 3 phase
Q2: Which cable ties are used to bunch the wires?
- Silk ties
- P.V.C ties
- Nylon ties
- Cotton ties
Q3: Which device is avoided in the panel board assembly?
- Sensors
- Indicating lamp
- Isolating switch
- Push button switch
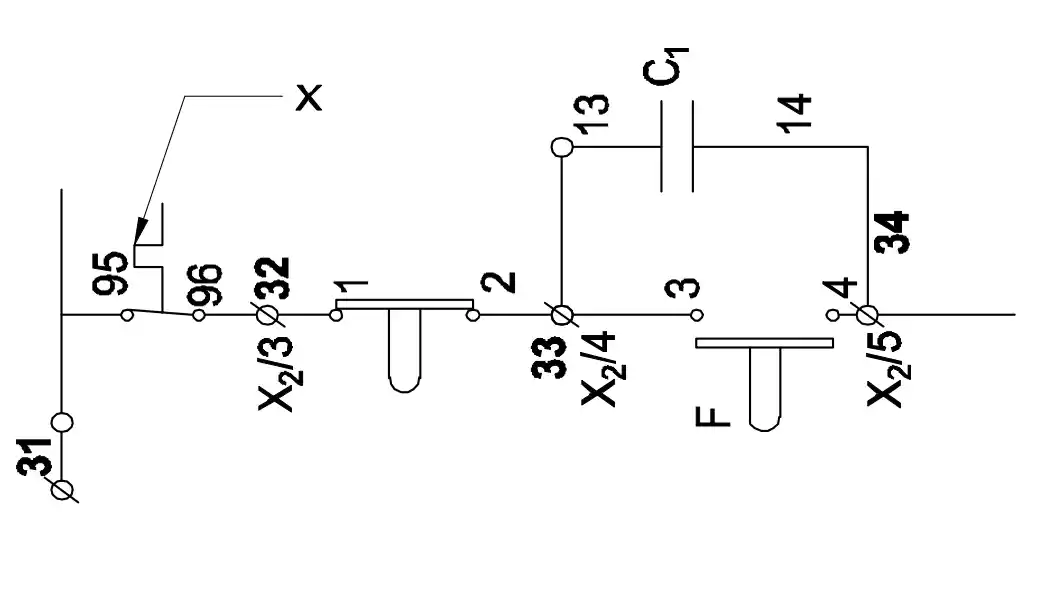
Q4: What is the name of the device marked as 'X'?
- Stop button
- Start button
- Main contact
- Auxiliary contact
Q5: What is the name of the wiring accessory used in control panel wiring?
- DIN rails
- G channel
- Grommets
- Race ways
Q6: What is the name of the device marked as 'X' in the circuit?
- Contactor
- No volt coil
- Stop button
- Over load relay trip
Q7: What is the name of the accessory used in control panel wiring?
- Wire ferrules
- Wire sleeves
- Nylon cable ties
- Cable binding strap
Q8: What is the name of the accessory used in control panel wiring?
- Lugs
- Thimble
- Grommet
- Terminal connector
Q9: Which device protects from overload and short circuit in a panel board?
- Isolating switch
- Time delay relay
- Thermal overload relay
- Miniature circuit breaker
Q10: Which switch with an actuator is operated by the motion of a machine or part of an object?
- Limit switch
- Toggle switch
- Isolating switch
- Push button switch
Q11: Which switch is operated at OFF load condition?
- Limit switch
- Isolating switch
- Two way switch
- Push button switch
Q12: What is the reason for providing two separate Earthing in panel board?
- Panel board is made in metal box
- Control the stray field in the panel
- Reduce the voltage drop in panel board
- Ensure one earthing in case of other failure
Q13: Which circuit, the limit switches are used?
- Lift circuits
- Street lighting
- Motor control circuits
- Domestic power circuits
Q14: How the control circuit voltage and power in a contactor are to be selected?
- As per rated current
- As per supply voltage
- As per no volt coil rating
- As per the type of supply
Q15: What is the criteria to select the contactor?
- Type of supply
- Type of load connected
- Supply voltage and load
- Place of use the contactor
Q16: Which accessory is used to mount MCB, OLR in the panel board without using screws?
- DIN Rail
- G channel
- Grommets
- PVC channel
Q17: Which type of device protects motors from over heating and over loading in a panel board?
- Rectifier
- Limit switch
- Thermal relay
- Electro mechanical relay
Q18: What is the use of 'G' channels in control panel?
- For fixing relays
- For fixing contactors
- For fixing instruments
- For fixing terminal connectors
Q19: What is the function of limit switch in control panel wiring?
- Controls machine from over heat
- Controls machine from over speed
- Controls machine from over loading
- Controls distance movement of any machine
Q20: Which is the standard duty cycle code of the contactor for starting and stopping the AC resistive and inductive load?
- AC1
- AC2
- AC3
- AC4
Q21: Which is the correct sequence operation of contactors for operating automatic star delta starter?
- Main -> Star -> Delta -> Timer
- Star -> Main -> Timer -> Delta
- Main -> Timer -> Delta -> Star
- Star -> Timer -> Main -> Delta
Q22: Why control panels are provided with control transformer?
- To maintain rated voltage to load
- To operate the auxiliary circuits
- To maintain rated main supply voltage
- To supply reduced voltage to power circuit
Q23: What happens, if time delay relay of a auto star delta starter still in closed condition after starting?
- Starts and stop
- Runs normally
- Runs in star only
- Runs in delta only
Q24: What is the use of PVC channel in a control panel wiring?
- Mounting MCB
- Mounting relays
- Path way for electrical wiring and protection
- Mounting double deck terminal contactor
Q25: What is the purpose of thermal over load relay in control panel?
- Switching ON/OFF the circuit
- Protect the circuit from earth fault
- Control the circuit based on time delay
- Protect the motor from over heating and loading
Q26: Why sequential control of motors is required in an industrial application?
- To share more loads
- To reduce power consumption
- To minimise the operating cost
- To increase the accuracy of operation
Q27: Which material is used to make open frame bimetallic adjustable thermostat contacts?
- Silver
- Brass
- Copper
- Bronze
Q28: What is the purpose of DIN-rail used in control panel wiring?
- It provides a path way for electrical wiring
- Install the high powered circuit accessories
- Mounting the double deck terminal connectors
- Mounting the control accessories without screws
Q29: Which device controls the operations in sequential control systems?
- Timer
- Relays
- Contactor
- Control transformer
Q30: Which DC load is represented by the DC2 standard duty cycle of contactors?
- Resistive loads except motor loads
- Starting and stopping of shunt motor
- Starting and stopping of series motor
- Starting and stopping with inching and braking
Q31: What is the purpose of control transformer used in control panel wiring?
- To maintain constant terminal voltage
- To supply the power to the auxiliary circuits
- To control the supply voltage to the contactor
- To protect the control elements from over voltage fault
Q32: How the contacts in a contactor can be engaged for working?
- By manual operation
- By mechanical settings
- By operating electromagnet to change the position
- By using bimetallic strip to change the position
Q33: Which device prevents flare out of stripped and stranded cables in the panel board?
- Sleeves
- Wire ferrules
- Lugs and thimbles
- Cable binding straps and button
Q34: How to protect the cable from insects and rats into the panel?
- By using sleeve
- By using Grommets
- By using cable binding straps
- By providing nylon cable ties
Q35: What essential feature to be considered while designing a layout of control panel?
- Proper type of protection and measuring system
- Inside area and number of indicating lights in front panel
- Suitable method of labelling and cable harnessing
- Outside dimensions and swing area of cabinet door
Q36: Why power and control wirings run in separate race ways?
- To reduce heat
- To reduce the radio interference
- To increase the insulation resistance
- To increase the current carrying capacity
Q37: Why the motor is not changing the direction, if reverse push button is pressed in forward and reverse control star delta starter?
- No volt coil is not energized
- Fault in forward contactor
- Due to interlock in reverse contactor
- No voltage exist in reverse contactor
Found a mistake or mismatch in the question or answer? Let us know via email.
This post is licensed under CC BY 4.0 by the author.





