DC Motor
Electrician Trade Theory, Module-2
DC Motor
⭕️ Show all Answers
Q1: Which instrument is used to measure armature winding resistance?
- Megger
- Multimeter
- Series type Ohm meter
- Kelvin bridge
Q2: Which instrument is used to test armature winding for short and open circuit?
- Tong Tester
- Internal Growler
- External Growler
- Digital multimeter
Q3: What is the name of the speed control method of DC motor?
- Field diverter method
- Field tapping method
- Voltage control method
- Armature diverter method
Q4: Which winding wire is used for DC field coil?
- Super enameled copper wire
- Single silk covered copper wire
- Double silk covered copper wire
- PVC covered copper winding wire
Q5: Which formula is used to calculate the speed of DC motor?
- $N = \frac{E_b}{\phi}$
- $N = \frac{\phi}{E_b}$
- $N = \frac{E_b \cdot \phi}{120}$
- $N = \frac{E_b \cdot \phi}{60}$
Q6: How many parallel paths in duplex lap winding in the armature of 4 pole D.C Motor?
- 2
- 4
- 6
- 8
Q7: Which rule determines the direction of rotation of armature in D.C motor?
- Right hand grip rule
- Right hand palm rule
- Fleming's left hand rule
- Fleming's right hand rule
Q8: What is the name of D.C motor?
- D.C shunt motor
- D.C series motor
- D.C differential compound motor
- D.C cumulative compound motor
Q9: Which rule determines the direction of current in D.C motor?
- Right hand grip rule
- Right hand palm rule
- Fleming's left hand rule
- Fleming's right hand rule
Q10: What is the formula to calculate the current taken by D.C shunt motor armature?
- $I_a = \frac{V}{R_a}$
- $I_a = \frac{E_b}{R_a}$
- $I_a = \frac{V-E_b}{R_a}$
- $I_a = \frac{V+E_b}{R_a}$
Q11: Which rule is applied to identify the direction of flux in DC motor?
- Cork's screw rule
- Right hand grip rule
- Fleming's left hand rule
- Fleming's right hand rule
Q12: Name the type of DC motor.
- Shunt motor
- Series motor
- Long shunt compound motor
- Short shunt compound motor
Q13: What is the formula to calculate back EMF in a DC motor?
- $E_b = \frac{ZNP\phi}{60A}$
- $E_b = \frac{NP}{Z\phi 60A}$
- $E_b = \frac{ZNP}{60A\phi}$
- $E_b = \frac{60A\phi}{ZNP}$
Q14: What is the name of the equipment?
- Megger
- Earth resistance tester
- Internal growler
- External growler
Q15: What is the name of winding, if coil pitch is less than pole pitch?
- Full pitch winding
- Half pitch winding
- Long chorded winding
- Short chorded winding
Q16: What is the purpose of series resistor connected with holding coil in a D.C four point starter?
- Limit the current in holding coil
- Increase the current in holding coil
- Increase the voltage in holding coil
- Decrease the voltage in holding coil
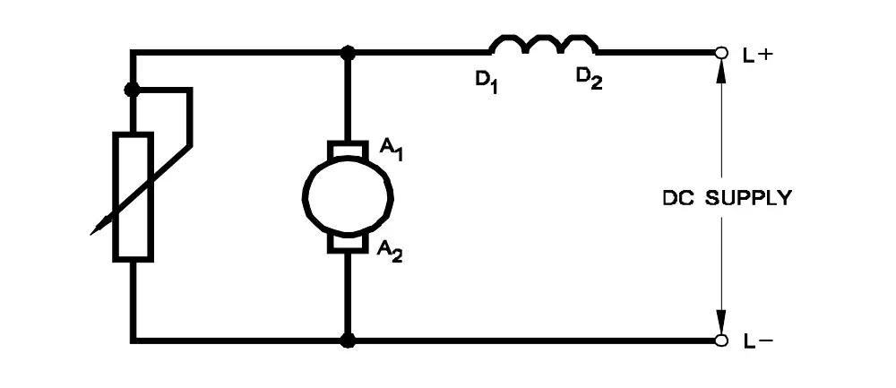
Q17: Which speed control method of D.C series motor is used for electric train?
- Field diverter method
- Field tapping method
- Armature diverter method
- Supply voltage control method
Q18: Why shunt field coil is connected in series with holding coil in D.C three point starter?
- Increase the holding coil current
- Decrease the holding coil current
- Protect the shunt field from over current
- Protect the motor in case of open in shunt field
Q19: Why the direction of rotation is changed only by changing the armature current direction in a D.C compound motor?
- Maintain rated speed
- Maintain motor characteristics
- Avoid armature reaction effect
- Prevent motor from over loading
Q20: Which speed control methods offers below normal speed in DC shunt motor?
- Field control method
- Voltage control method
- Armature control method
- Ward Leonard system of speed control
Q21: Why starters are required to start D.C motors in industries?
- Regulate the field voltage
- Reduce the armature current
- Control the armature reaction
- Smooth operation of motors
Q22: Which insulating material belongs to class 'B' insulation?
- Cotton
- Bamboo
- Fiber glass
- Leatheroid paper
Q23: What is the temperature value of class F insulation?
- 90°C
- 105°C
- 120°C
- 155°C
Q24: Which type of D.C motor is used for constant speed drives?
- DC series motor
- DC shunt motor
- Differential long shunt compound motor
- Differential short shunt compound motor
Q25: Which type of DC motor is used in elevators?
- DC series motor
- DC shunt motor
- DC differential compound motor
- DC cumulative compound motor
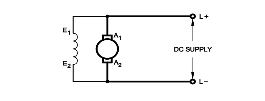
Q26: Which method of speed control gives below the rated speed in DC series motor?
- Field diverter method
- Tapped field method
- Voltage control method
- Armature diverter method
Q27: What is the effect, if a four point starter resistance is cutoff during running?
- Motor stopped
- Runs at slow speed
- Runs at very high speed
- Runs at reverse direction
Q28: Why carbon composition brush requires in the armature circuit to operate the D.C motor?
- Increases the starting torque
- Protects from armature reaction
- Protects armature from over loading
- Reduces the spark in the commutator segment
Q29: Why series motor produce high torque and speed initially without load?
- Absence of back emf
- Load current flows through field winding
- Armature current and field current are same
- Series field winding wound with thick wire
Q30: Why the series field is short circuited at the time of starting in differential compound motor?
- To reduce the starting current
- To increase the speed of motor
- To decrease the speed of motor
- To maintain proper direction of rotation
Q31: Which is the most effective method of balancing armature?
- Static balancing
- Dynamic balancing
- Attached with counter balancing
- Plugged with lead weight balancing
Q32: Which material is used for starting resistance of DC starters?
- Eureka
- Nichrome
- Manganin
- Constantine
Q33: Which DC compound motor is operated at constant speed under varying load?
- Differential long shunt
- Cumulative long shunt
- Differential short shunt
- Cumulative short shunt
Q34: How No volt coil is connected in a three point starter with DC shunt motor?
- Directly connected to supply
- Connected in series with armature
- Connected in parallel with armature
- Connected in series with shunt field
Q35: Which type of armature winding is illustrated?
- Duplex lap winding
- Triplex lap winding
- Simplex lap winding
- Quadruplex lap winding
Q36: Which growler test for armature is illustrated?
- Open coil test
- Grounded coil test
- Shorted coil test
- Shorted commutator test
Q37: Which speed control method is applied to obtain both below normal and above normal speed in DC motor?
- Field control method
- Armature control method
- Tapped field speed control
- Ward Leonard speed control
Q38: Why commutators are sparking heavily?
- Incorrect brush position
- Incorrect field connection
- Incorrect direction of rotation
- Incorrect armature connection
Q39: What is the action of the induced emf in a running D.C motor?
- Assists the applied voltage
- Opposes the applied voltage
- Increases the armature current
- Decreases the armature current
Q40: Which motor has this characteristics curve?
- Series motor
- Shunt motor
- Cumulative compound motor
- Differential compound motor
Q41: What is the purpose of resistor connected with holding coil in 4 point starter?
- Limit current in NVC
- Protect the coil from short circuit
- Protect the motor from overload
- Protect the armature from short circuit
Q42: Why the D.C series motor field winding is wound with thick wire?
- To regulate field voltage
- To carry the load current
- To keep maximum inductance
- To reduce the armature reaction
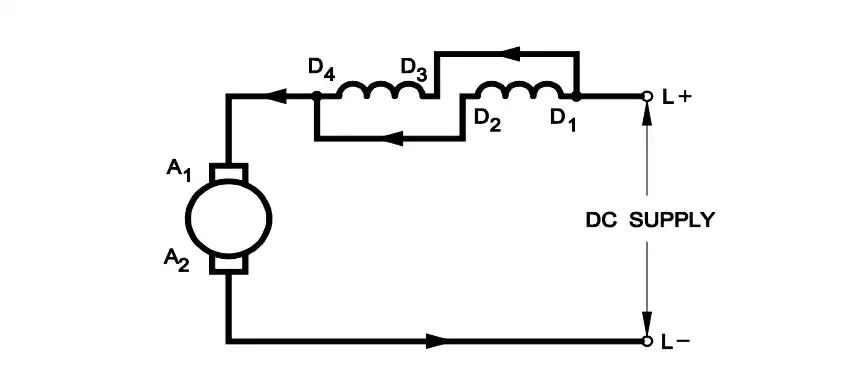
Q43: Which type of speed control of D.C series motor?
- Field parallel method
- Field diverter method
- Field tapping method
- Armature diverter method
Q44: Which type of D.C motor is suitable for shearing machines?
- Shunt motor
- Series motor
- Cumulative compound motor
- Differential compound motor
Q45: Where D.C compound motors are preferred?
- Constant load requirements
- Constant speed requirements
- High starting torque requirements
- Constant speed under varying load requirements
Q46: What is the necessity of starter for D.C motor?
- Limit the field current
- Limit the field voltage
- Control the motor speed
- Limit the armature current
Q47: Which type of instrument is used to test the armature winding?
- Megger
- Growler
- Multimeter
- Ohmmeter
Q48: Why the holding coil of a 3 point starter is connected in series with shunt field?
- To limit the load current
- To run motor at low voltage
- To hold the handle plunger firmly
- To protect the motor from high speed
Q49: What is the best method to change the DOR of a compound motor without change of its characteristics?
- Change armature current direction
- Change shunt field current direction
- Change series field current direction
- Change the current in armature and shunt field together
Q50: What is the purpose of NVC connected in series with the field in 3 point starter?
- To improve the torque
- Reduce the field current
- To decrease the back emf
- To prevent increase in speed
Q51: Which type of DC motor is used for sudden application of heavy loads?
- Shunt motor
- Series motor
- Differential compound motor
- Cumulative compound motor
Q52: Which speed control method is used in food mixture motors?
- Voltage control method
- Field diverter control method
- Armature diverter method
- Series field tapping method
Q53: Which speed control system provides a smooth variation of speed from zero to above normal?
- Field control
- Armature control
- Field diverter control
- Ward-Leonard system control
Q54: What is the purpose of tapes in winding?
- Insulate slots
- Bind the coils
- Wrap the conductor
- Insulate exposed conductors
Q55: Which type of DC armature winding the front pitch ($Y_f$) is greater than back pitch ($Y_b$)?
- Lap winding
- Wave winding
- Progressive winding
- Retrogressive winding
Q56: What reduces the cross sectional area of core material for VA rating?
- Dynamo sheet
- Low alloy sheet
- High alloy sheet
- Normal steel sheet
Q57: How to obtain opposite polarity in adjacent poles of a 4 pole DC motor?
- Varying the number of turns in coil
- Making series connection of coils
- Making parallel connection of coils
- Making current flow in different direction
Q58: What is the operation in the rewinding process?
- Cleaning of slots
- Removing of winding
- Removing of wedges
- Cutting of winding wire
Q59: Which insulating material used in winding is a highly non -hygroscopic and possess good electrical strength?
- Empire cloth
- Triplex paper
- Millinex paper
- Leatheroid paper
Q60: Which type of armature winding is illustrated?
- Triplex wave winding
- Duplex wave winding
- Progressive lap winding
- Retrogressive lap winding
Q61: Calculate the average pitch ($Y_A$) for retrogressive wave winding, if No. of armature conductor =14, No. of slots=7, No. of poles 2
- 4
- 6
- 8
- 14
Show Calculation
\[\] $$Y_A = \frac{Z \pm 2}{P}$$ \[ \] Where: \[ \] $Z$ = Number of armature conductors \[ \] $P$ = Number of poles \[ \] For Progressive winding, use $+2$ \[ \] For Retrogressive winding, use $-2$ \[ \] Given: \[ \] Number of conductors ($Z$) = $14$ \[ \] Number of poles ($P$) = $2$ \[ \] Winding type = Retrogressive \[ \] Calculation: \[ \] Since it is a retrogressive winding, we use the minus sign: \[ \] $$Y_A = \frac{Z - 2}{P}$$ \[ \] $$Y_A = \frac{14 - 2}{2}$$ \[ \] $$Y_A = \frac{12}{2}$$\[\] $$Y_A = 6$$Q62: Which type of test is illustrated for the armature after rewound?
- Open coil test
- Shorted coil test
- Voltage drop test
- Grounded coil test
Q63: Why the newly rewound armature must be preheated before varnishing?
- Drive out the moisture from it
- Help for quick drying of varnish
- Make easy to penetrate varnish inside
- Maintain uniform spreading of varnishing
Q64: How the direction of rotation of a DC compound motor is changed?
- By changing the direction of armature current
- By interchanging the supply terminals
- By changing the direction of both field and armature current
- By changing the direction of series field current
Q65: What is the effect in a D.C shunt motor, if its supply terminals are interchanged?
- Runs in slow speed
- Runs in high speed
- Runs in the same direction
- Runs in the reverse direction
Q66: What is the speed, if field winding of a DC shunt motor is in open circuit?
- Stop running
- Motor runs normally
- Runs at slow speed
- Runs in very high speed
Q67: What is the reason for reduction in speed of a D.C shunt motor from no load to full load?
- Shunt field current increases
- Shunt field current decreases
- Armature voltage drop increases
- Armature voltage drop decreases
Q68: Which winding fault is determined by the test?
- Open coil fault
- Short coil fault
- Grounded coil fault
- Grounded core fault
Found a mistake or mismatch in the question or answer? Let us know via email.
This post is licensed under CC BY 4.0 by the author.












